











Zamek elektroniczny szyfrator z kamerą Vcontrol 4-K Tuya Smart

Zamów do godziny 18:00 w dni robocze za pomocą przewoźnika InPost i odbierz przesyłkę następnego dnia!
Ponad 20.000 zweryfikowanych opinii sklepu Spreest, ze średnią ocen 4.7/5
Odbierz w: Odbiór w Mińsku Mazowieckim
Zwykle gotowe w ciągu 1 godziny

Zamek elektroniczny szyfrator z kamerą Vcontrol 4-K Tuya Smart
Odbiór w Mińsku Mazowieckim
Romualda Traugutta 19
05-300 Mińsk Mazowiecki
Polska



Zamek elektroniczny z kamerą Vcontrol 4-K Tuya marki Spreest to nowoczesny, inteligentny zamek elektroniczny z wbudowaną kamerą oraz czytnikiem kart RFID. Idealny wybór do domów, biur i obiektów komercyjnych, gdzie liczy się wygoda, bezpieczeństwo i zdalna kontrola dostępu.
Dzięki integracji z aplikacją Tuya, zarządzasz dostępem w czasie rzeczywistym – z każdego miejsca na świecie. Solidna, metalowa, wodoodporna obudowa IP65 oraz wszechstronne funkcje czynią to urządzenie kompletnym rozwiązaniem dla nowoczesnej kontroli wejścia.

Kluczowe funkcje
1. Sterowanie smartfonem przez aplikację Tuya: Otwieraj drzwi bez kluczy – wystarczy aplikacja Tuya (Android / iOS). Zarządzaj zamkiem zdalnie: dodawaj użytkowników, ustawiaj kody PIN, przypisuj karty RFID i przeglądaj historię zdarzeń.
2. Dostęp za pomocą kodu PIN: Wersja z klawiaturą umożliwia wpisanie stałych, czasowych i jednorazowych kodów PIN. Ustawiaj cykliczne harmonogramy dostępu – np. tylko w wybrane dni tygodnia i godziny pracy.
3. Obsługa kart zbliżeniowych ID (125 kHz) i IC (13.56 MHz): Obsługa kart EM (ID) oraz Mifare (IC). Dodawanie do 1000 kart użytkowników, zarządzanie ich aktywnością i czasem dostępu bezpośrednio z aplikacji.
4. Dwukierunkowa komunikacja i podgląd wideo: Odbieraj połączenia wideo na smartfonie, rozmawiaj z osobą przy drzwiach i otwieraj drzwi zdalnie dzięki wbudowanemu interkomowi i kamerze.

5. Zarządzanie e-kluczami i dostępami czasowymi: Twórz elektroniczne klucze (eKeys) i przypisuj dostęp stały, czasowy lub jednorazowy. Wysyłaj zaproszenia do drzwi zdalnie, np. przez e-mail lub komunikatory.
6. Automatyczne ryglowanie i tryb otwarty (Passage Mode): Aktywuj Auto Lock, aby drzwi zamykały się automatycznie po określonym czasie. Ustaw harmonogramy, kiedy drzwi mają pozostawać odblokowane.
7. Powiadomienia i historia zdarzeń: Otrzymuj natychmiastowe powiadomienia o próbach otwarcia, błędnych kodach lub alarmach. Przeglądaj pełną historię dostępu w aplikacji.
8. Bezpieczna konstrukcja i wodoodporność (IP65): Solidna, metalowa obudowa odporna na deszcz, kurz i wandalizm. Idealna do montażu na zewnątrz – w każdych warunkach atmosferycznych.

Wodoodporność IP65
Wodoodporna obudowa w klasie IP65 zapewnia niezawodną ochronę przed deszczem, wilgocią czy pyłem, co czyni go doskonałym wyborem do montażu na zewnętrznych framugach drzwi.
Dzięki solidnej konstrukcji i specjalnym uszczelnieniom, urządzenie zachowuje pełną funkcjonalność niezależnie od panującej aury, gwarantując bezpieczeństwo i ciągłość pracy.

Wszechstronność otwierania
1. Karta zbliżeniowa/brelok/naklejka - Szybkie i wygodne odblokowanie za pomocą karty zbliżeniowej, breloka lub naklejki.
2. Kod - Wprowadzenie unikalnego kodu na klawiaturze zamka, aby uzyskać dostęp.
3. Aplikacja Tuya - Wygodne i szybkie zdalne otwieranie zamka poprzez aplikacje za jednym kliknięciem.
Dzięki tym różnorodnym opcjom, każdy użytkownik może wybrać najbardziej odpowiadający mu sposób otwierania zamka, co podnosi komfort i bezpieczeństwo użytkowania.
Karty zbliżeniowe/breloki/naklejki są dostępne w naszym asortymencie.

Zamek elektryczny w systemie kontroli dostępu może być wykorzystywany w różnych obiektach na wiele sposobów.
Oto kilka przykładów zastosowania zamka elektrycznego:
1. Dom:
- Zyskaj pełną kontrolę nad dostępem do swojego domu. Dzięki funkcji otwierania drzwi smartfonem oraz podglądowi wideo wiesz zawsze, kto stoi przed Twoimi drzwiami — niezależnie od tego, gdzie się znajdujesz. Idealne rozwiązanie dla rodzin, które cenią bezpieczeństwo i wygodę.
2. Apartamenty na wynajem:
- Bezpieczne przekazywanie dostępu gościom dzięki funkcji tymczasowych kodów PIN. Udostępnij kod dostępu na czas rezerwacji, bez konieczności fizycznego przekazania kluczy. Po zakończeniu pobytu kod automatycznie wygasa, zwiększając bezpieczeństwo kolejnych najemców.
Zamek znajdzie także swoje zastosowanie w np. biurach, szkołach, sklepach i innych obiektach.

Dane na wyświetlaczu LED
1. Kamerka dostępu
2. Przycisk dzwonka (wymagane podłączenie zewnętrznego dzwonka przewodowego)
3. Dioda sygnalizująca blokadę (czerwone światło), odblokowanie (zielone światło)
4. Obszar wybierania kodu (podczas aktywności cyfry się podświetlają)

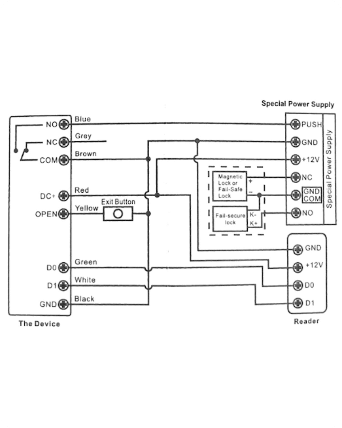
Na schemacie przedstawiono możliwe warianty instalacji systemu kontroli dostępu z zamkiem Vcontrol 4-K Tuya.
Urządzenie współpracuje z zasilaczem 12–18V DC, zamkiem elektromagnetycznym lub elektrozaczepem, przyciskiem wyjścia oraz specjalistycznymi zasilaczami kontroli dostępu.
Oto szczegółowy opis możliwych połączeń i ich zastosowań:
1. Zasilanie:
- DC+ (Red) – zasilanie dodatnie 12–18V DC (podłączyć do źródła napięcia).
- GND (Black) – masa (minus zasilania).
Podstawowe źródło zasilania urządzenia. Wymaga stabilnego napięcia w zakresie 12–18V DC. W przypadku standardowego zasilania DC konieczna jest instalacja diody ochronnej 1N4004 (w zestawie).
2. Zamek magnetyczny / elektrozaczep:
- COM (Brown) – wspólne wyjście przekaźnika.
- NC (Grey) – styk normalnie zamknięty – zalecany do zamków elektromagnetycznych typu Fail-Safe (blokada otwiera się przy zaniku napięcia).
- NO (Blue) – styk normalnie otwarty – zalecany do elektrozaczepów typu Fail-Secure (zamek otwiera się po podaniu napięcia).
Umożliwia bezpośrednie sterowanie zamkiem drzwiowym za pomocą przekaźnika wbudowanego w urządzenie.

3. Przycisk wyjścia (Exit Button):
- OPEN (Yellow) – wejście sygnałowe przycisku wyjścia.
Umożliwia wygodne otwarcie drzwi od wewnątrz bez użycia aplikacji, karty lub PIN-u.
4. Podłączenie czytnika Wiegand:
- D0 (Green) – linia danych Wiegand 0.
- D1 (White) – linia danych Wiegand 1.
- GND (Black) – masa dla czytnika.
Pozwala na podłączenie dodatkowego czytnika kart, odcisków lub klawiatury pracującego w standardzie Wiegand (26–44 bitów dla kart EM / 26–58 bitów dla kart Mifare).
5. Tryb czytnika Wiegand:
- W trybie Wiegand Reader urządzenie pracuje jako standardowy czytnik RFID/Fingerprint/PIN podłączony do zewnętrznego kontrolera dostępu.
- Przewód Yellow zmienia funkcję i służy jako sterowanie sygnałem brzęczyka (BZ).
Idealne rozwiązanie do rozbudowanych instalacji biurowych i przemysłowych.

Specyfikacja techniczna
- Napięcie robocze: 12 – 18 V DC
- Prąd czuwania: ≤ 60 mA
- Prąd pracy: ≤ 150 mA
- Przekaźnik: NO / NC / COM, 0 – 99 s (domyślnie 5 s), max. obciążenie 2 A
- Typ karty: Karta IC (13.56 MHz), Karta ID (125 kHz)
- Pamięć: Do 1000 użytkowników: 900 kart RFID (EM lub Mifare) lub kodów PIN, 10 użytkowników tymczasowych (gości)
- Temperatura pracy: −40 °C ~ + 60 °C
- Wilgotność: 0 % ~ 92 % RH
- Wodoodporność: IP65
- Wymiary: 142 × 48 × 22 mm
- Waga: 315 g (netto), 410 g (brutto)

Zestaw zawiera
- 1x Zamek elektroniczny z kamerą Vcontrol 4-K Tuya
- 1x Karta dostępu Master Card
- 1x Zestaw akcesoriów montażowych
- 1x Instrukcja obsługi
- 1x Instrukcja montażu
Instrukcja w j. polskim w wersji elektronicznej dostępna w załączniku do pobrania. Znajdziesz ją pod naszym opisem produktu.











